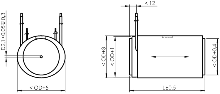
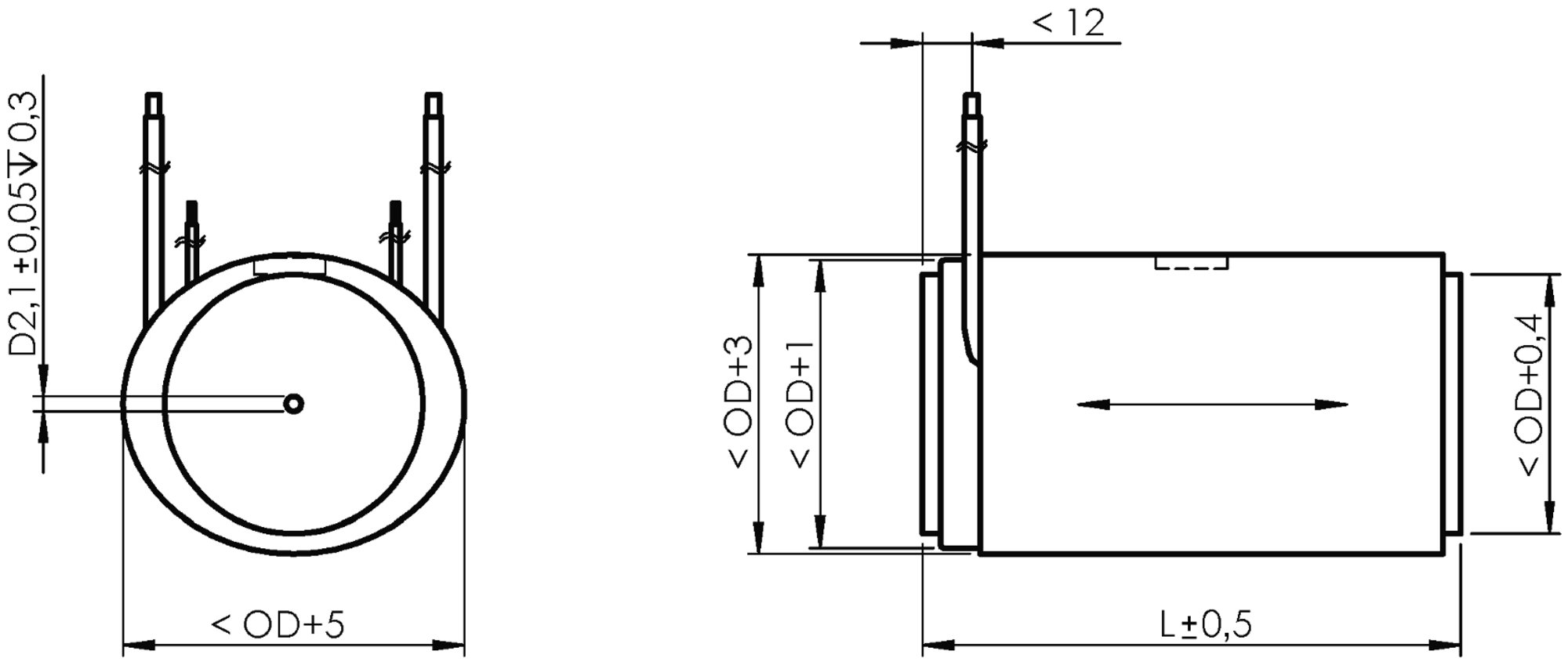
PICA Power Piezoaktor, 5 µm Stellweg, OD 10 mm × L 9 mm
PICA Power Piezoaktoren
Für hochdynamische Anwendungen
- Betriebstemperatur bis zu 150 °C
- Hohe Ansteuerfrequenzen
- Hohe Belastbarkeit
- Krafterzeugung bis 70 kN



Piezolinearaktor in gestapelter Bauweise
Betriebsspannung 0 bis 1000 V. Lange Lebensdauer ohne Leistungseinbußen. Große Auslenkung bei kleiner elektrischer Kapazität. Sub-nm-Auflösung, µs-Ansprechzeit. Integrierter Temperatursensor zum Schutz vor Überhitzung. Sehr zuverlässig: >109 Zyklen.
Mögliche Modifikationen
Bipolare Ansteuerung
DMS-Sensoren für Positionsstabilität
Piezokeramikmaterial
Spannungsbereich, Auslenkung, Lagendicke
Belastbarkeit, Krafterzeugung
Geometrie: rechteckig, Innenbohrung
Endstücke: flach, Metall, Keramik, Glas, Saphir etc.
Integrierte piezoelektrische Kraftdetektorscheiben
Betriebstemperatur bis 200 °C
UHV-kompatibel bis 10-9 hPa
Unmagnetische Ausführungen
Verringerte Längentoleranzen
Einsatzgebiete
Industrie und Forschung. Für aktive Schwingungsdämpfung, Präzisionsmechanik und -fertigung, aktive Strukturen (Adaptronik).
Spezifikationen
Spezifikationen
| Stellweg | Durchmesser OD | Länge L | Blockierkraft | Steifigkeit | Elektrische Kapazität | Resonanzfrequenz | |
|---|---|---|---|---|---|---|---|
| µm | mm | mm | N | N/ µm | nF | kHz | |
| P-010.00P | 5 | 10 | 9 | 1200 | 240 | 17 | 129 |
| P-010.10P | 15 | 10 | 18 | 1800 | 120 | 46 | 64 |
| P-010.20P | 30 | 10 | 31 | 2100 | 68 | 90 | 37 |
| P-010.40P | 60 | 10 | 58 | 2200 | 37 | 180 | 20 |
| P-010.80P | 120 | 10 | 111 | 2300 | 19 | 370 | 10 |
| P-016.10P | 15 | 16 | 18 | 4500 | 300 | 130 | 64 |
| P-016.20P | 30 | 16 | 31 | 5400 | 180 | 250 | 37 |
| P-016.40P | 60 | 16 | 58 | 5600 | 94 | 510 | 20 |
| P-016.80P | 120 | 16 | 111 | 5900 | 49 | 1000 | 10 |
| P-016.90P | 180 | 16 | 163 | 6000 | 33 | 1600 | 7 |
| P-025.10P | 15 | 25 | 20 | 9900 | 660 | 320 | 58 |
| P-025.20P | 30 | 25 | 33 | 12000 | 400 | 630 | 35 |
| P-025.40P | 60 | 25 | 60 | 13000 | 220 | 1300 | 19 |
| P-025.80P | 120 | 25 | 113 | 14000 | 120 | 2600 | 10 |
| P-025.90P | 180 | 25 | 165 | 14000 | 80 | 4000 | 7 |
| P-035.10P | 15 | 35 | 21 | 18000 | 1200 | 530 | 55 |
| P-035.20P | 30 | 35 | 34 | 23000 | 760 | 1200 | 34 |
| P-035.40P | 60 | 35 | 61 | 26000 | 430 | 2500 | 19 |
| P-035.80P | 120 | 35 | 114 | 28000 | 230 | 5200 | 10 |
| P-035.90P | 180 | 35 | 166 | 29000 | 160 | 7800 | 7 |
| P-045.20P | 30 | 45 | 36 | 36000 | 1200 | 2100 | 32 |
| P-045.40P | 60 | 45 | 63 | 41000 | 680 | 4300 | 18 |
| P-045.80P | 120 | 45 | 116 | 44000 | 370 | 8800 | 10 |
| P-045.90P | 180 | 45 | 169 | 45000 | 250 | 13000 | 7 |
| P-056.20P | 30 | 56 | 36 | 54000 | 1800 | 3300 | 32 |
| P-056.40P | 60 | 56 | 63 | 66000 | 1100 | 6700 | 18 |
| P-056.80P | 120 | 56 | 116 | 68000 | 570 | 14000 | 10 |
| P-056.90P | 180 | 56 | 169 | 70000 | 390 | 21000 | 7 |
Stellweg: bei 0 bis 1000 V, Toleranz -10 / 20 %.
Länge L: Toleranz ±0,5 mm.
Blockierkraft: bei 0 bis 1000 V.
Elektrische Kapazität: gemessen bei 1 V, 1 kHz, RT, Toleranz ±20 %.
Resonanzfrequenz: gemessen bei 1 V, unbelastet, beidseitig frei. Bei einseitiger Einspannung halbiert sich der Wert.
Piezokeramik: PIC255.
Standardanschlüsse: FEP- isolierte Anschlusslitzen, 100 mm, AWG 24, Ø 1,15 mm.
Betriebsspannungsbereich: 0 bis 1000 V.
Betriebstemperaturbereich: -20 bis 150 °C.
Standardkopfstücke: Stahlscheiben, je nach Modell 0,5 bis 2 mm dick.
Mantelfläche: transparenter FEP- Schrumpfschlauch.
Empfohlene Vorspannung für den dynamischen Betrieb: 15 MPa.
Maximale Vorspannung für konstante Kraftausübung: 30 MPa.
Temperatursensor: PT 1000.
Sonderausführungen und andere Spezifikationen auf Anfrage.
Downloads
Datenblatt
Dokumentation
Benutzerhandbuch PZ138
PICA Piezoaktoren: P-007, P-010, P-016, P-025, P-035, P-045, P-050, P-056 PICA Stack/Power/Thru Sonderprodukte
Angebot / Bestellung
Fordern Sie ein unverbindliches Angebot über gewünschte Stückzahlen, Preise und Lieferzeiten an oder beschreiben Sie Ihre gewünschte Modifikation.
PICA Power Piezoaktor, 15 µm Stellweg, OD 10 mm × L 18 mm
PICA Power Piezoaktor, 30 µm Stellweg, OD 10 mm × L 31 mm
PICA Power Piezoaktor, 60 µm Stellweg, OD 10 mm × L 58 mm
PICA Power Piezoaktor, 120 µm Stellweg, OD 10 mm × L 111 mm
PICA Power Piezoaktor, 15 µm Stellweg, OD 16 mm × L 18 mm
PICA Power Piezoaktor, 30 µm Stellweg, OD 16 mm × L 31 mm
PICA Power Piezoaktor, 60 µm Stellweg, OD 16 mm × L 58 mm
PICA Power Piezoaktor, 120 µm Stellweg, OD 16 mm × L 111 mm
PICA Power Piezoaktor, 180 µm Stellweg, OD 16 mm × L 163 mm
PICA Power Piezoaktor, 15 µm Stellweg, OD 25 mm × L 20 mm
PICA Power Piezoaktor, 30 µm Stellweg, OD 25 mm × L 33 mm
PICA Power Piezoaktor, 60 µm Stellweg, OD 25 mm × L 60 mm
PICA Power Piezoaktor, 120 µm Stellweg, OD 25 mm × L 113 mm
PICA Power Piezoaktor, 180 µm Stellweg, OD 25 mm × L 165 mm
PICA Power Piezoaktor, 15 µm Stellweg, OD 35 mm × L 21 mm
PICA Power Piezoaktor, 30 µm Stellweg, OD 35 mm × L 34 mm
PICA Power Piezoaktor, 60 µm Stellweg, OD 35 mm × L 61 mm
PICA Power Piezoaktor, 120 µm Stellweg, OD 35 mm × L 114 mm
PICA Power Piezoaktor, 180 µm Stellweg, OD 35 mm × L 166 mm
PICA Power Piezoaktor, 30 µm Stellweg, OD 45 mm × L 36 mm
PICA Power Piezoaktor, 60 µm Stellweg, OD 45 mm × L 63 mm
PICA Power Piezoaktor, 120 µm Stellweg, OD 45 mm × L 116 mm
PICA Power Piezoaktor, 180 µm Stellweg, OD 45 mm × L 169 mm
PICA Power Piezoaktor, 30 µm Stellweg, OD 56 mm × L 36 mm
PICA Power Piezoaktor, 60 µm Stellweg, OD 56 mm × L 63 mm
PICA Power Piezoaktor, 120 µm Stellweg, OD 56 mm × L 116 mm
PICA Power Piezoaktor, 180 µm Stellweg, OD 56 mm × L 169 mm
Angebot anfordern
Kontaktieren Sie uns!
Erhalten Sie innerhalb kürzester Zeit per E-Mail oder Telefon eine Rückmeldung zu Ihren Fragen von einem PI Ceramic Vertriebsingenieur.










