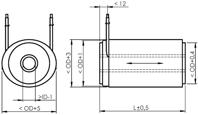
PICA Thru Piezoaktor, 5 µm Stellweg, OD 10 mm × ID 5 mm × L 7 mm
PICA Thru Ringaktoren
Hochbelastbare Piezoaktoren mit Innenbohrung
- Hohe Belastbarkeit
- Sehr zuverlässig: >109 Zyklen
- µs-Ansprechzeit
- Sub-nm-Auflösung
- Flexibel durch zahlreiche Ausführungsvarianten
Piezolinearaktor in gestapelter Bauweise
Betriebsspannung 0 bis 1000 V. Lange Lebensdauer ohne Leistungseinbußen. Große spezifische Auslenkung. Aufbringen einer mechanischen Vorspannung über Innenbohrung möglich.
Mögliche Modifikationen
DMS-Sensoren für Positionsstabilität
Piezokeramikmaterial
Spannungsbereich, Auslenkung, Lagendicke
Belastbarkeit, Krafterzeugung
Geometrie: rund, rechteckig, andere Durchmesser
Endstück: flach
Integrierte piezoelektrische Kraftdetektorscheiben
Erweiterter Temperaturbereich
UHV-kompatible Versionen bis 10-9 hPa
Unmagnetische Ausführungen
Verringerte Längentoleranzen
Einsatzgebiete
Industrie und Forschung. Für Optik, Präzisionsmechanik und -fertigung, Lasertuning.
Spezifikationen
Spezifikationen
| Stellweg | Durchmesser OD | Durchmesser ID | Länge L | Blockierkraft | Steifigkeit | Elektrische Kapazität | Resonanzfrequenz | |
|---|---|---|---|---|---|---|---|---|
| µm | mm | mm | mm | N | N/ µm | nF | kHz | |
| P-010.00H | 5 | 10 | 5 | 7 | 1200 | 230 | 15 | 144 |
| P-010.10H | 15 | 10 | 5 | 15 | 1700 | 110 | 40 | 67 |
| P-010.20H | 30 | 10 | 5 | 27 | 1800 | 59 | 82 | 39 |
| P-010.40H | 60 | 10 | 5 | 54 | 1800 | 29 | 180 | 21 |
| P-016.00H | 5 | 16 | 8 | 7 | 2900 | 580 | 42 | 144 |
| P-016.10H | 15 | 16 | 8 | 15 | 4100 | 270 | 120 | 67 |
| P-016.20H | 30 | 16 | 8 | 27 | 4500 | 150 | 230 | 39 |
| P-016.40H | 60 | 16 | 8 | 52 | 4700 | 78 | 490 | 21 |
| P-025.10H | 15 | 25 | 16 | 16 | 7400 | 490 | 220 | 63 |
| P-025.20H | 30 | 25 | 16 | 27 | 8700 | 290 | 430 | 39 |
| P-025.40H | 60 | 25 | 16 | 51 | 9000 | 150 | 920 | 22 |
| P-025.50H | 80 | 25 | 16 | 66 | 9600 | 120 | 1200 | 17 |
Stellweg: bei 0 bis 1000 V, Toleranz -10 / 20 %.
Länge L: Toleranz ±0,5 mm.
Blockierkraft: bei 0 bis 1000 V.
Elektrische Kapazität: gemessen bei 1 V, 1 kHz, RT, Toleranz ±20 %.
Resonanzfrequenz: gemessen bei 1 V, unbelastet, beidseitig frei. Bei einseitiger Einspannung halbiert sich der Wert.
Piezokeramik: PIC151.
Standardanschlüsse: FEP- isolierte Anschlusslitzen, 100 mm, AWG 24, Ø 1,15 mm. Betriebsspannungsbereich: 0 bis 1000 V.
Betriebstemperaturbereich: -20 bis 85 °C.
Standardkopfstücke: Keramikringe (passives PZT).
Mantelfläche: außen Schrumpfschlauch Polyolefin, schwarz; innen Epoxidharz.
Empfohlene Vorspannung für den dynamischen Betrieb: 15 MPa.
Maximale Vorspannung für konstante Kraftausübung: 30 MPa.
Sonderausführungen und andere Spezifikationen auf Anfrage.
Downloads
Datenblatt
Dokumentation
Benutzerhandbuch PZ138
PICA Piezoaktoren: P-007, P-010, P-016, P-025, P-035, P-045, P-050, P-056 PICA Stack/Power/Thru Sonderprodukte
Angebot / Bestellung
Fordern Sie ein unverbindliches Angebot über gewünschte Stückzahlen, Preise und Lieferzeiten an oder beschreiben Sie Ihre gewünschte Modifikation.
PICA Thru Piezoaktor, 15 µm Stellweg, OD 10 mm × ID 5 mm × L 15 mm
PICA Thru Piezoaktor, 30 µm Stellweg, OD 10 mm × ID 5 mm × L 27 mm
PICA Thru Piezoaktor, 60 µm Stellweg, OD 10 mm × ID 5 mm × L 54 mm
PICA Thru Piezoaktor, 5 µm Stellweg, OD 16 mm × ID 8 mm × L 7 mm
PICA Thru Piezoaktor, 15 µm Stellweg, OD 16 mm × ID 8 mm × L 15 mm
PICA Thru Piezoaktor, 30 µm Stellweg, OD 16 mm × ID 8 mm × L 27 mm
PICA Thru Piezoaktor, 60 µm Stellweg, OD 16 mm × ID 8 mm × L 52 mm
PICA Thru Piezoaktor, 15 µm Stellweg, OD 25 mm × ID 16 mm × L 16 mm
PICA Thru Piezoaktor, 30 µm Stellweg, OD 25 mm × ID 16 mm × L 27 mm
PICA Thru Piezoaktor, 60 µm Stellweg, OD 25 mm × ID 16 mm × L 51 mm
PICA Thru Piezoaktor, 80 µm Stellweg, OD 25 mm × ID 16 mm × L 66 mm
Angebot anfordern
Kontaktieren Sie uns!
Erhalten Sie innerhalb kürzester Zeit per E-Mail oder Telefon eine Rückmeldung zu Ihren Fragen von einem PI Ceramic Vertriebsingenieur.
















