P-010.xxP – P-056.xxP PICA Power Piezoaktoren
Für hochdynamische Anwendungen
- Betriebstemperatur bis zu 150 °C
- Hohe Ansteuerfrequenzen
- Hohe Belastbarkeit
- Krafterzeugung bis 70 kN



Piezolinearaktor in gestapelter Bauweise
Betriebsspannung 0 bis 1000 V. Lange Lebensdauer ohne Leistungseinbußen. Große Auslenkung bei kleiner elektrischer Kapazität. Sub-nm-Auflösung, µs-Ansprechzeit. Integrierter Temperatursensor zum Schutz vor Überhitzung. Sehr zuverlässig: >109 Zyklen
Mögliche Modifikationen
- Bipolare Ansteuerung
- DMS-Sensoren für Positionsstabilität
- Piezokeramikmaterial
- Spannungsbereich, Auslenkung, Lagendicke
- Belastbarkeit, Krafterzeugung
- Geometrie: rechteckig, Innenbohrung
- Endstücke: flach, Metall, Keramik, Glas, Saphir etc.
- Integrierte piezoelektrische Kraftdetektorscheiben
- Betriebstemperatur bis 200 °C
- UHV-kompatibel bis 10-9 hPa
- Unmagnetische Ausführungen
- Verringerte Längentoleranzen
Einsatzgebiete
Industrie und Forschung. Für aktive Schwingungsdämpfung, Präzisionsmechanik und -fertigung, aktive Strukturen (Adaptronik)
Spezifikationen
Dieser Inhalt ist nur auf Tablets oder Desktop Geräten verfügbar.Spezifikationen
Stellweg | Durchmesser OD | Länge L | Blockierkraft | Steifigkeit | Elektrische Kapazität | Resonanzfrequenz | |
|---|---|---|---|---|---|---|---|
µm | mm | mm | N | N/µm | nF | kHz | |
P-010.00P | 5 | 10 | 9 | 1200 | 240 | 17 | 129 |
P-010.10P | 15 | 10 | 18 | 1800 | 120 | 46 | 64 |
P-010.20P | 30 | 10 | 31 | 2100 | 68 | 90 | 37 |
P-010.40P | 60 | 10 | 58 | 2200 | 37 | 180 | 20 |
P-010.80P | 120 | 10 | 111 | 2300 | 19 | 370 | 10 |
P-016.10P | 15 | 16 | 18 | 4500 | 300 | 130 | 64 |
P-016.20P | 30 | 16 | 31 | 5400 | 180 | 250 | 37 |
P-016.40P | 60 | 16 | 58 | 5600 | 94 | 510 | 20 |
P-016.80P | 120 | 16 | 111 | 5900 | 49 | 1000 | 10 |
P-016.90P | 180 | 16 | 163 | 6000 | 33 | 1600 | 7 |
P-025.10P | 15 | 25 | 20 | 9900 | 660 | 320 | 58 |
P-025.20P | 30 | 25 | 33 | 12000 | 400 | 630 | 35 |
P-025.40P | 60 | 25 | 60 | 13000 | 220 | 1300 | 19 |
P-025.80P | 120 | 25 | 113 | 14000 | 120 | 2600 | 10 |
P-025.90P | 180 | 25 | 165 | 14000 | 80 | 4000 | 7 |
P-035.10P | 15 | 35 | 21 | 18000 | 1200 | 530 | 55 |
P-035.20P | 30 | 35 | 34 | 23000 | 760 | 1200 | 34 |
P-035.40P | 60 | 35 | 61 | 26000 | 430 | 2500 | 19 |
P-035.80P | 120 | 35 | 114 | 28000 | 230 | 5200 | 10 |
P-035.90P | 180 | 35 | 166 | 29000 | 160 | 7800 | 7 |
P-045.20P | 30 | 45 | 36 | 36000 | 1200 | 2100 | 32 |
P-045.40P | 60 | 45 | 63 | 41000 | 680 | 4300 | 18 |
P-045.80P | 120 | 45 | 116 | 44000 | 370 | 8800 | 10 |
P-045.90P | 180 | 45 | 169 | 45000 | 250 | 13000 | 7 |
P-056.20P | 30 | 56 | 36 | 54000 | 1800 | 3300 | 32 |
P-056.40P | 60 | 56 | 63 | 66000 | 1100 | 6700 | 18 |
P-056.80P | 120 | 56 | 116 | 68000 | 570 | 14000 | 10 |
P-056.90P | 180 | 56 | 169 | 70000 | 390 | 21000 | 7 |
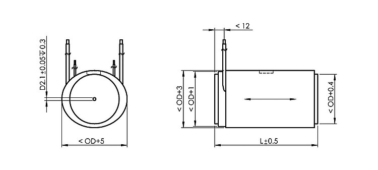
Stellweg: bei 0 bis 1000 V, Toleranz -10 / 20 %.
Länge L: Toleranz ±0,5 mm.
Blockierkraft: bei 0 bis 1000 V.
Elektrische Kapazität: gemessen bei 1 Vₚₚ, 1 kHz, RT, Toleranz ±20 %.
Resonanzfrequenz: gemessen bei 1 Vₚₚ, unbelastet, beidseitig frei. Bei einseitiger Einspannung halbiert sich der Wert.
Piezokeramik: PIC255.
Standardanschlüsse: FEP- isolierte Anschlusslitzen, 100 mm, AWG 24, Ø 1,15 mm.
Betriebsspannungsbereich: 0 bis 1000 V.
Betriebstemperaturbereich: -20 bis 150 °C.
Standardkopfstücke: Stahlscheiben, je nach Modell 0,5 bis 2 mm dick.
Mantelfläche: transparenter FEP- Schrumpfschlauch.
Empfohlene Vorspannung für den dynamischen Betrieb: 15 MPa.
Maximale Vorspannung für konstante Kraftausübung: 30 MPa.
Temperatursensor: PT 1000.
Sonderausführungen und andere Spezifikationen auf Anfrage.
Downloads
Dokumentation
Benutzerhandbuch PZ138
PICA Piezoaktoren: P-007, P-010, P-016, P-025, P-035, P-045, P-050, P-056 PICA Stack/Power/Thru Sonderprodukte
Angebot / Bestellung
Fordern Sie ein unverbindliches Angebot über gewünschte Stückzahlen, Preise und Lieferzeiten an oder beschreiben Sie Ihre gewünschte Modifikation.
Sonderausführungen und andere Spezifikationen auf Anfrage.
Angebot anfordern
Kontaktieren Sie uns!
Erhalten Sie innerhalb kürzester Zeit per E-Mail oder Telefon eine Rückmeldung zu Ihren Fragen von einem PI Ceramic Vertriebsingenieur.










