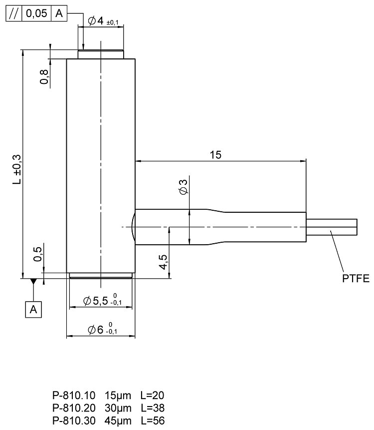
Piezoaktor; PICMA® piezoaktorischer Antrieb; 15 µm Stellweg (ungeregelt); 20 mm Länge; Druckbelastbarkeit 50 N; Zugbelastbarkeit 1 N; Anschlusslitzen; 0,3 m Kabellänge
P-810 • P-830 Piezoaktoren
Für mittlere Lasten und Druckkräfte
- Überlegene Lebensdauer dank PICMA® Piezoaktoren
- Stellweg bis 60 µm
- Druckbelastbarkeit bis 1000 N
- Zugbelastbarkeit bis 5 N
- µs-Ansprechzeit
- Sub-nm-Auflösung
Einsatzgebiete
- Statische und dynamische Präzisionspositionierung
- Faserpositionierung
- Lasertuning
- Patch-Clamp
- Nanotechnologie
Überragende Lebensdauer dank PICMA® Piezoaktoren
Die PICMA® Piezoaktoren sind vollkeramisch isoliert. Dies schützt sie vor Luftfeuchtigkeit und Ausfällen durch erhöhten Leckstrom. PICMA® Aktoren bieten eine bis zu zehnmal höhere Lebensdauer als konventionelle polymerisolierte Aktoren. 100 Milliarden Zyklen ohne einen einzigen Ausfall sind erwiesen.
Spezifikationen
Spezifikationen
| Bewegen | P-810.10 | P-810.20 | P-810.30 | P-830.10 | P-830.20 | P-830.30 | P-830.40 | Toleranz |
|---|---|---|---|---|---|---|---|---|
| Aktive Achsen | Z | Z | Z | Z | Z | Z | Z | |
| Stellweg in Z, ungeregelt, bei 0 bis 100 V | 15 µm | 30 µm | 45 µm | 15 µm | 30 µm | 45 µm | 60 µm | ±20 % |
| Positionieren | P-810.10 | P-810.20 | P-810.30 | P-830.10 | P-830.20 | P-830.30 | P-830.40 | Toleranz |
| Auflösung in Z, ungeregelt | 0,15 nm | 0,3 nm | 0,45 nm | 0,15 nm | 0,3 nm | 0,45 nm | 0,6 nm | typ. |
| Antriebseigenschaften | P-810.10 | P-810.20 | P-810.30 | P-830.10 | P-830.20 | P-830.30 | P-830.40 | Toleranz |
| Antriebstyp | PICMA® | PICMA® | PICMA® | PICMA® | PICMA® | PICMA® | PICMA® | |
| Elektrische Kapazität in Z | 0,3 µF | 0,7 µF | 1 µF | 1,5 µF | 3 µF | 4,5 µF | 6 µF | ±20 % |
| Mechanische Eigenschaften | P-810.10 | P-810.20 | P-810.30 | P-830.10 | P-830.20 | P-830.30 | P-830.40 | Toleranz |
| Steifigkeit in Z | 14 N/µm | 7 N/µm | 4 N/µm | 57 N/µm | 27 N/µm | 19 N/µm | 15 N/µm | ±20 % |
| Resonanzfrequenz in Z, unbelastet | 22 kHz | 15 kHz | 12 kHz | 23 kHz | 14 kHz | 10 kHz | 8,5 kHz | ±20 % |
| Zulässige Druckkraft in Z | 50 N | 50 N | 50 N | 1000 N | 1000 N | 1000 N | 1000 N | max. |
| Zulässige Zugkraft in Z | 1 N | 1 N | 1 N | 5 N | 5 N | 5 N | 5 N | max. |
| Empfohlene Vorspannung für dynamischen Betrieb | 10 bis 20 MPa | 10 bis 20 MPa | 10 bis 20 MPa | 10 bis 20 MPa | 10 bis 20 MPa | 10 bis 20 MPa | 10 bis 20 MPa | |
| Gesamtmasse | 4 g | 6 g | 8 g | 10 g | 16 g | 21 g | 27 g | ±5 % |
| Material | Gehäuse: Unmagnetischer Edelstahl. Endstücke: Edelstahl. | Gehäuse: Unmagnetischer Edelstahl. Endstücke: Edelstahl. | Gehäuse: Unmagnetischer Edelstahl. Endstücke: Edelstahl. | Gehäuse: Unmagnetischer Edelstahl. Endstücke: Edelstahl. | Gehäuse: Unmagnetischer Edelstahl. Endstücke: Edelstahl. | Gehäuse: Unmagnetischer Edelstahl. Endstücke: Edelstahl. | Gehäuse: Unmagnetischer Edelstahl. Endstücke: Edelstahl. | |
| Länge | 20 mm | 38 mm | 56 mm | 22 mm | 40 mm | 58 mm | 76 mm | ±0,3 mm |
| Anschlüsse und Umgebung | P-810.10 | P-810.20 | P-810.30 | P-830.10 | P-830.20 | P-830.30 | P-830.40 | Toleranz |
| Betriebstemperaturbereich | -20 bis 80 °C | -20 bis 80 °C | -20 bis 80 °C | -20 bis 80 °C | -20 bis 80 °C | -20 bis 80 °C | -20 bis 80 °C | |
| Anschluss | Anschlusslitzen, PTFE-isoliert, AWG 28, Ø 0,69 mm | Anschlusslitzen, PTFE-isoliert, AWG 28, Ø 0,69 mm | Anschlusslitzen, PTFE-isoliert, AWG 28, Ø 0,69 mm | Anschlusslitzen, PTFE-isoliert, AWG 28, Ø 0,69 mm | Anschlusslitzen, PTFE-isoliert, AWG 28, Ø 0,69 mm | Anschlusslitzen, PTFE-isoliert, AWG 28, Ø 0,69 mm | Anschlusslitzen, PTFE-isoliert, AWG 28, Ø 0,69 mm | |
| Kabellänge | 0,3 m | 0,3 m | 0,3 m | 0,3 m | 0,3 m | 0,3 m | 0,3 m | +25 / -0 mm |
| Empfohlene Controller / Treiber | E-503, E-505, E-610, E-617, E-621, E-625, E-663, E-709, E-831 | E-503, E-505, E-610, E-617, E-621, E-625, E-663, E-709, E-831 | E-503, E-505, E-610, E-617, E-621, E-625, E-663, E-709, E-831 | E-503, E-505, E-610, E-617, E-621, E-625, E-663, E-709, E-831 | E-503, E-505, E-610, E-617, E-621, E-625, E-663, E-709, E-831 | E-503, E-505, E-610, E-617, E-621, E-625, E-663, E-709, E-831 | E-503, E-505, E-610, E-617, E-621, E-625, E-663, E-709, E-831 |
Steifigkeit in Z: Statische Großsignalsteifigkeit; dynamische Kleinsignalsteifigkeit ca. 30 % höher.
Die Auflösung des Systems wird nur vom Rauschen des Verstärkers und der Messtechnik begrenzt, da PI-Piezoaktoren reibungsfrei arbeiten.
Downloads
Datenblatt
Dokumentation
3-D-Modelle
P-830 3D Modell
P-810 3D-Modell
Angebot / Bestellung
Fordern Sie ein unverbindliches Angebot über gewünschte Stückzahlen, Preise und Lieferzeiten an oder beschreiben Sie Ihre gewünschte Modifikation.
Piezoaktor; PICMA® piezoaktorischer Antrieb; 30 µm Stellweg (ungeregelt); 38 mm Länge; Druckbelastbarkeit 50 N; Zugbelastbarkeit 1 N; Anschlusslitzen; 0,3 m Kabellänge
Piezoaktor; PICMA® piezoaktorischer Antrieb; 45 µm Stellweg (ungeregelt); 56 mm Länge; Druckbelastbarkeit 50 N; Zugbelastbarkeit 1 N; Anschlusslitzen; 0,3 m Kabellänge
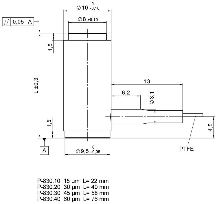
Piezoaktor; PICMA® piezoaktorischer Antrieb; 15 µm Stellweg (ungeregelt); 22 mm Länge; Druckbelastbarkeit 1000 N; Zugbelastbarkeit 5 N; Anschlusslitzen; 0,3 m Kabellänge
Piezoaktor; PICMA® piezoaktorischer Antrieb; 30 µm Stellweg (ungeregelt); 40 mm Länge; Druckbelastbarkeit 1000 N; Zugbelastbarkeit 5 N; Anschlusslitzen; 0,3 m Kabellänge
Piezoaktor; PICMA® piezoaktorischer Antrieb; 45 µm Stellweg (ungeregelt); 58 mm Länge; Druckbelastbarkeit 1000 N; Zugbelastbarkeit 5 N; Anschlusslitzen; 0,3 m Kabellänge
Piezoaktor; PICMA® piezoaktorischer Antrieb; 60 µm Stellweg (ungeregelt); 76 mm Länge; Druckbelastbarkeit 1000 N; Zugbelastbarkeit 5 N; Anschlusslitzen; 0,3 m Kabellänge
Angebot anfordern
Kontaktieren Sie uns!
Erhalten Sie innerhalb kürzester Zeit per E-Mail oder Telefon eine Rückmeldung zu Ihren Fragen von einem PI Ceramic Vertriebsingenieur.
















