PICMA® Stack Multilayer-Ringaktor; PICMA® piezoaktorischer Antrieb; 5,5 µm Stellweg (ungeregelt); 8 mm × 4,4 mm × 8,5 mm (OD × ID × L); 800 N Vorschubkraft; vakuumkompatibel bis 10-9 hPa; lötbare Kontakte
P-080 PICMA® Stack Multilayer-Ringaktor
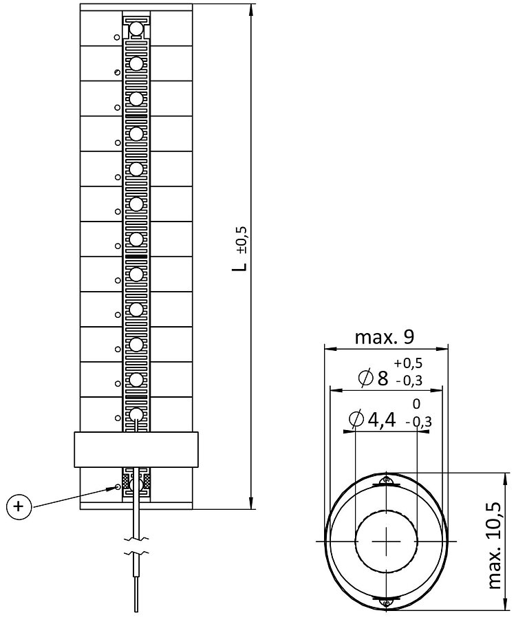
Mit Innenbohrung
- Innenbohrung für Vorspannung oder als Durchgang für optische Anwendungen
- Überlegene Lebensdauer
- Ideal für den dynamischen Betrieb
- µs-Ansprechzeit
- Sub-nm-Auflösung
- UHV-kompatibel bis 10-9 hPa
Gestapelte Multilayer-Piezoaktoren
Flexibel im Stellweg bis zu 30 µm. Runder Querschnitt für einfache Integration.
UHV-kompatibel bis 10-9 hPa, kein Ausgasen, hohe Ausheiztemperatur.
PICMA® Piezolinearaktoren
Niedrige Betriebsspannung -20 bis 100 V. Keramische Isolierung. Hohe Zuverlässigkeit, lange Lebensdauer.
Mögliche Modifikationen
Verschiedene Bauhöhen, schnell nach Kundenwunsch montierbar. Verschiedene Geometrien. Überschliffene Endflächen für verringerte Toleranzen.
Einsatzgebiete
Industrie und Forschung. Für Lasertuning, Mikrodosierung, Life Sciences.
Spezifikationen
Spezifikationen
| Bewegen | P-080.310 | P-080.311 | P-080.340 | P-080.341 | P-080.390 | P-080.391 | Toleranz |
|---|---|---|---|---|---|---|---|
| Aktive Achsen | Z | Z | Z | Z | Z | Z | |
| Stellweg in Z, ungeregelt, bei 0 bis 100 V | 5,5 µm | 5,5 µm | 11 µm | 11 µm | 25 µm | 25 µm | |
| Antriebseigenschaften | P-080.310 | P-080.311 | P-080.340 | P-080.341 | P-080.390 | P-080.391 | Toleranz |
| Aktortyp | Linearaktor | Linearaktor | Linearaktor | Linearaktor | Linearaktor | Linearaktor | |
| Antriebstyp | PICMA® Stack | PICMA® Stack | PICMA® Stack | PICMA® Stack | PICMA® Stack | PICMA® Stack | |
| Betriebsspannung | -20 bis 100 V | -20 bis 100 V | -20 bis 100 V | -20 bis 100 V | -20 bis 100 V | -20 bis 100 V | |
| Elektrische Kapazität in Z | 0,86 µF | 0,86 µF | 1,7 µF | 1,7 µF | 4 µF | 4 µF | ±20 % |
| Mechanische Eigenschaften | P-080.310 | P-080.311 | P-080.340 | P-080.341 | P-080.390 | P-080.391 | Toleranz |
| Steifigkeit in Z | 145 N/µm | 145 N/µm | 75 N/µm | 75 N/µm | 34 N/µm | 34 N/µm | |
| Resonanzfrequenz in Z, unbelastet | 135 kHz | 135 kHz | 85 kHz | 85 kHz | 40 kHz | 40 kHz | ±20 % |
| Blockierkraft in Z | 800 N | 800 N | 825 N | 825 N | 850 N | 850 N | ±20 % |
| Empfohlene Vorspannung für dynamischen Betrieb | 15 MPa | 15 MPa | 15 MPa | 15 MPa | 15 MPa | 15 MPa | |
| Max. Vorspannung für konstante Kraftausübung | 30 MPa | 30 MPa | 30 MPa | 30 MPa | 30 MPa | 30 MPa | |
| Querschnitt | ringförmig | ringförmig | ringförmig | ringförmig | ringförmig | ringförmig | |
| Material | Piezokeramik. Keramikendflächen aus Al2O3. | Piezokeramik. Keramikendflächen aus Al2O3. | Piezokeramik. Keramikendflächen aus Al2O3. | Piezokeramik. Keramikendflächen aus Al2O3. | Piezokeramik. Keramikendflächen aus Al2O3. | Piezokeramik. Keramikendflächen aus Al2O3. | |
| Piezomaterial | PIC252 | PIC252 | PIC252 | PIC252 | PIC252 | PIC252 | |
| Länge | 8,5 mm | 8,5 mm | 16 mm | 16 mm | 36 mm | 36 mm | |
| Außendurchmesser | 8 mm | 8 mm | 8 mm | 8 mm | 8 mm | 8 mm | |
| Innendurchmesser | 4,4 mm | 4,4 mm | 4,4 mm | 4,4 mm | 4,4 mm | 4,4 mm | |
| Anschlüsse und Umgebung | P-080.310 | P-080.311 | P-080.340 | P-080.341 | P-080.390 | P-080.391 | Toleranz |
| Betriebstemperaturbereich | -40 bis 150 °C | -40 bis 150 °C | -40 bis 150 °C | -40 bis 150 °C | -40 bis 150 °C | -40 bis 150 °C | |
| Vakuumklasse | 10⁻⁹ hPa | 10⁻⁹ hPa | 10⁻⁹ hPa | 10⁻⁹ hPa | 10⁻⁹ hPa | 10⁻⁹ hPa | |
| Anschluss | lötbare Kontakte | Anschlusslitzen, PTFE-isoliert, AWG 30, Ø 0,61 mm | lötbare Kontakte | Anschlusslitzen, PTFE-isoliert, AWG 30, Ø 0,61 mm | lötbare Kontakte | Anschlusslitzen, PTFE-isoliert, AWG 30, Ø 0,61 mm | |
| Empfohlene Controller / Treiber | E-610, E-617, E-831, E-836 | E-610, E-617, E-831, E-836 | E-610, E-617, E-831, E-836 | E-610, E-617, E-831, E-836 | E-610, E-617, E-831, E-836 | E-610, E-617, E-831, E-836 | |
| Kabellänge | 0,1 m | 0,1 m | 0,1 m | ±5 mm |
Stellweg in Z, ungeregelt: Toleranz ±20 % bei Modellen P-080.31x und P-080.34x. Toleranz ±10 % bei Modellen P-080.39x.
Resonanzfrequenz in Z, unbelastet: Gemessen bei 1 Vpp, beidseitig frei. Bei einseitiger Einspannung halbiert sich der Wert.
Elektrische Kapazität in Z: Gemessen bei 1 Vpp, 1 kHz, RT.
Alle Angaben bei 0 bis 100 V.
Sonderausführungen auf Anfrage.
Downloads
Datenblatt
Dokumentation
Benutzerhandbuch PZ259
PICMA® Stack Multilayer-Piezoaktoren, PICMA® PLUS Stack Multilayer-Piezoaktoren, Runde PICMA® Stack Multilayer-Piezoaktoren, Runde PICMA® Stack Multilayer-Piezoaktoren mit Innenbohrung
Angebot / Bestellung
Fordern Sie ein unverbindliches Angebot über gewünschte Stückzahlen, Preise und Lieferzeiten an oder beschreiben Sie Ihre gewünschte Modifikation.
PICMA® Stack Multilayer-Ringaktor; PICMA® piezoaktorischer Antrieb; 5,5 µm Stellweg (ungeregelt); 8 mm × 4,4 mm × 8,5 mm (OD × ID × L); 800 N Vorschubkraft; vakuumkompatibel bis 10-9 hPa; Anschlusslitzen, PTFE-isoliert, AWG 30, Ø 0,61 mm; Kabellänge 0,1 m
PICMA® Stack Multilayer-Ringaktor; PICMA® piezoaktorischer Antrieb; 11 µm Stellweg (ungeregelt); 8 mm × 4,4 mm × 16 mm (OD × ID × L); 825 N Vorschubkraft; vakuumkompatibel bis 10-9 hPa; lötbare Kontakte
PICMA® Stack Multilayer-Ringaktor; PICMA® piezoaktorischer Antrieb; 11 µm Stellweg (ungeregelt); 8 mm × 4,4 mm × 16 mm (OD × ID × L); 825 N Vorschubkraft; vakuumkompatibel bis 10-9 hPa; Anschlusslitzen, PTFE-isoliert, AWG 30, Ø 0,61 mm; Kabellänge 0,1 m
PICMA® Stack Multilayer-Ringaktor; PICMA® piezoaktorischer Antrieb; 25 µm Stellweg (ungeregelt); 8 mm × 4,4 mm × 36 mm (OD × ID × L); 850 N Vorschubkraft; vakuumkompatibel bis 10-9 hPa; lötbare Kontakte
PICMA® Stack Multilayer-Ringaktor; PICMA® piezoaktorischer Antrieb; 25 µm Stellweg (ungeregelt); 8 mm × 4,4 mm × 36 mm (OD × ID × L); 850 N Vorschubkraft; vakuumkompatibel bis 10-9 hPa; Anschlusslitzen, PTFE-isoliert, AWG 30, Ø 0,61 mm; Kabellänge 0,1 m
Angebot anfordern
Kontaktieren Sie uns!
Erhalten Sie innerhalb kürzester Zeit per E-Mail oder Telefon eine Rückmeldung zu Ihren Fragen von einem PI Ceramic Vertriebsingenieur.
















