Kompakter PiezoMove Linearaktor; PICMA® piezoaktorischer Antrieb; 300 µm Stellweg (ungeregelt); Druckbelastbarkeit 2 N; Zugbelastbarkeit 1,5 N; offene Litzen; 0,1 m Kabellänge
P-604 Kompakter PiezoMove Linearaktor
Preisgünstig, mit 300 µm Stellweg
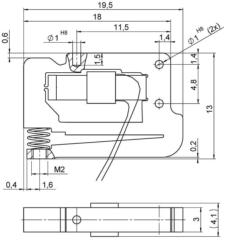
- Leicht und kompakt: 4 g und <13 mm × 20 mm Grundfläche
- Stellweg 300 µm
- Optimiertes Design für die Fertigung hoher Stückzahlen
- Kundenspezifische Anpassungen möglich
- Überlegene Lebensdauer dank PICMA® Piezoaktoren
- Ideal für OEM-Anwendungen in Optik, Medizin, Biotechnologie und Mikrofluidik
Einsatzgebiete
- Nanopositionierung
- Schnelle Schalter
- Patch-Clamp
- Mikrodosierung
- Adaptronik / Automatisierung
- Photonik / integrierte Optik
- Biotechnologie
Überragende Lebensdauer dank PICMA® Piezoaktoren
Die PICMA® Piezoaktoren sind vollkeramisch isoliert. Dies schützt sie vor Luftfeuchtigkeit und Ausfällen durch erhöhten Leckstrom. PICMA® Aktoren bieten eine bis zu zehnmal höhere Lebensdauer als konventionelle polymerisolierte Aktoren. 100 Milliarden Zyklen ohne einen einzigen Ausfall sind erwiesen.
Hohe Führungsgenauigkeit durch spielfreie Festkörpergelenkführungen
Festkörpergelenkführungen sind wartungs-, reibungs- und verschleißfrei und benötigen keine Schmierstoffe. Ihre Steifigkeit macht sie hoch belastbar und unempfindlich gegen Schockbelastungen und Vibrationen. Sie arbeiten in einem weiten Temperaturbereich.
Spezifikationen
Spezifikationen
| Bewegen | P-604.300 | Toleranz |
|---|---|---|
| Aktive Achsen | Z | |
| Stellweg in Z, ungeregelt, bei -20 bis 120 V | 300 µm | +20 % / -0 % |
| Positionieren | P-604.300 | Toleranz |
| Auflösung in Z, ungeregelt | 0,5 nm | typ. |
| Antriebseigenschaften | P-604.300 | Toleranz |
| Antriebstyp | PICMA® | |
| Elektrische Kapazität | 0,27 µF | ±20 % |
| Mechanische Eigenschaften | P-604.300 | Toleranz |
| Steifigkeit in Z | 0,01 N/µm | ±20 % |
| Resonanzfrequenz in Z, unbelastet | 900 Hz | ±20 % |
| Zulässige Druckkraft in Z | 2 N | max. |
| Zulässige Zugkraft in Z | 1,5 N | max. |
| Führung | Festkörpergelenksführung mit Hebelübersetzung | |
| Gesamtmasse | 4 g | ±10 % |
| Material | Stahl | |
| Anschlüsse und Umgebung | P-604.300 | Toleranz |
| Betriebstemperaturbereich | -20 bis 80 °C | |
| Anschluss | Offene Litzen | |
| Kabellänge | 0,1 m | ±10 mm |
| Empfohlene Controller/Treiber | E-610.00 Verstärker, E-625, E-831 OEM-Verstärkermodul |
Die Auflösung des Systems wird nur vom Rauschen des Verstärkers und der Messtechnik begrenzt, da PI-Piezoaktoren reibungsfrei arbeiten.
Sonderausführungen auf Anfrage.
Technische Daten werden bei PI bei 22 ±3 °C spezifiziert. Die angegebenen Werte gelten im unbelasteten Zustand, wenn nicht anders angegeben. Teilweise sind Eigenschaften voneinander abhängig. Die Angabe "typ." kennzeichnet einen statistischen Mittelwert für eine Eigenschaft; sie gibt keinen garantierten Wert für jedes ausgelieferte Produkt an. Bei der Ausgangsprüfung eines Produkts werden nicht alle, sondern nur ausgewählte Eigenschaften geprüft. Beachten Sie, dass sich einige Produkteigenschaften mit zunehmender Betriebsdauer verschlechtern können.
Downloads
Datenblatt
Dokumentation
Benutzerhandbuch PZ282
P-604.300 Kompakter PiezoMove® Linearaktor
3-D-Modelle
3D-Modell P-604.300
Angebot / Bestellung
Fordern Sie ein unverbindliches Angebot über gewünschte Stückzahlen, Preise und Lieferzeiten an oder beschreiben Sie Ihre gewünschte Modifikation.
Angebot anfordern
Kontaktieren Sie uns!
Erhalten Sie innerhalb kürzester Zeit per E-Mail oder Telefon eine Rückmeldung zu Ihren Fragen von einem PI Ceramic Vertriebsingenieur.







